GaN HEMT器件性能的评估,一般包含静态参数测试(I-V测试)、频率特性(小信号S参数测试)、功率特性(Load-Pull测试)。静态参数,也被称作直流参数,是用来评估半导体器件性能的基础测试,也是器件使用的重要依据。以阈值电压Vgs(th)为例,其值的大小对研发人员设计器件的驱动电路具有重要的指导意义。
静态测试方法,一般是在器件对应的端子上加载电压或者电流,并测试其对应参数。与Si基器件不同的是,GaN器件的栅极阈值电压较低,甚至要加载负压。常见的静态测试参数有:阈值电压、击穿电压、漏电流、导通电阻、跨导、电流坍塌效应测试等。
图:GaN 输出特性曲线(来源:Gan systems)
图:GaN导通电阻曲线(来源:Gan systems)
V(BL)DSS击穿电压测试
击穿电压,即器件源漏两端所能承受的额定最大电压。对于电路设计者而言,在选择器件时,往往需要预留一定的余量,以保证器件能承受整个回路中可能出现的浪涌电压。其测试方法为,将器件的栅极-源极短接,在额定的漏电流条件下(对于GaN,一般为μA级别)测试器件的电压值。
Vgsth阈值电压测试
阈值电压,是使器件源漏电流导通时,栅极所施加的最小开启电压。与硅基器件不同,GaN器件的阈值电压一般较低的正值,甚至为负值。因此,这就对器件的驱动设计提出了新的挑战。过去在硅基器件的驱动,并不能直接用于GaN器件。如何准确的获取手头上GaN器件的阈值电压,对于研发人员设计驱动电路,至关重要。
IDS导通电流测试
导通电流,指GaN器件在开启状态下,源漏两端所能通过的额定最大电流值。不过值得注意的是,电流在通过器件时,会产生热量。电流较小时,器件产生的热量小,通过自身散热或者外部散热,器件温度总体变化值较小,对测试结果的影响也可以基本忽略。但当通过大电流,器件产生的热量大,难以通过自身或者借助外部快速散热。此时,会导致器件温度的大幅上升,使得测试结果产生偏差,甚至烧毁器件。因此,在测试导通电流时,采用快速脉冲式电流的测试手段,正逐渐成为新的替代方法。
电流坍塌测试(导通电阻)
电流崩塌效应,在器件具体参数上表现动态导通电阻。GaN 器件在关断状态承受漏源极高电压,当切换到开通状态时,导通电阻暂时增加、最大漏极电流减小;在不同条件下,导通电阻呈现出一定规律的动态变化。该现象即为动态导通电阻。
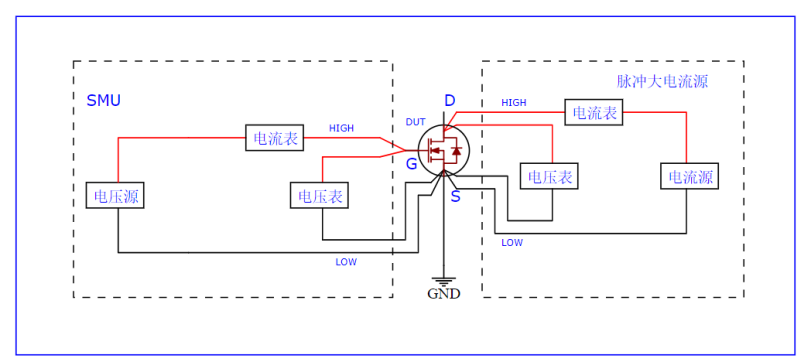
测试过程为:首先,栅极使用P系列脉冲源表,关闭器件;同时,使用E系列高压源测单元,在源极和漏极间施加高压。在移除高压之后,栅极使用P系列脉冲源表,快速导通器件的同时,源极和漏极之间采用HCPL高脉冲电流源加载高速脉冲电流,测量导通电阻。可多次重复该过程,持续观察器件的动态导通电阻变化情况。
图:导通电阻测试示意图
自热效应测试
在脉冲I-V 测试时,在每个脉冲周期,器件的栅极和漏极首先被偏置在静态点(VgsQ, VdsQ)进行陷阱填充,在此期间,器件中的陷阱被电子填充,然后偏置电压从静态偏置点跳到测试点(Vgs, Vds),被俘获的电子随着时间的推移得到释放,从而得到被测器件的脉冲I-V 特性曲线。当器件处于长时间的脉冲电压下,其热效应增大,导致器件电流崩塌率增加,需要测试设备具有快速脉冲测试的能力。具体测试过程为,使用普赛斯CP系列脉冲恒压源,在器件栅极-源极、源极-漏极,分别加载高速脉冲电压信号,同时测试源极-漏极的电流。可通过设置不同的电压以及脉宽,观察器件在不同实验条件下的脉冲电流输出能力。
图:脉冲测试连接示意图
对于应用在射频场景下的氮化镓器件,如PA器件或者模组,除了测试静态参数外,也要对其在射频应用下的性能进行表征。常见的射频测试手段有小信号S参数测试、Load-pull测试等。此外,由于氮化镓器件存在电流崩塌现象,有专业研究指出,氮化镓在直流与脉冲的测试条件下,会呈现出不同的射频放大特性。因此,脉冲式的小信号S参数测试,Load-Pull测试方案正逐渐引起研究人员的关注。
图:GaN RF 效率与频率的关系(来源:qorvo)
图:GaN RF Load-pull测试曲线(来源:qorvo)
SMU,即源测量单元,是一种用于半导体材料,以及器件测试高性能仪表。与传统的万用表,以及电流源相比,SMU集电压源、电流源、电压表、电流表以及电子负载等多种功能于一体。此外,SMU还具有多量程,四象限,二线制/四线制测试等多种特性。一直以来,SMU在半导体测试行业研发设计,生产流程得到了广泛应用。同样,对于氮化镓的测试,高性能SMU产品也是不可少的工具。
普赛斯P系列高精度台式脉冲源表
针对氮化镓直流低压参数的测量,建议选用P系列高精度台式脉冲源表。P系列脉冲源表是普赛斯在经典S系列直流源表的基础上打造的一款高精度、大动态、数字触摸源表,汇集电压、电流输入输出及测量等多种功能,最大输出电压达300V,最大脉冲输出电流达10A,支持四象限工作,被广泛应用于各种电气特性测试中。产品可应用于GaN的阈值电压,跨导测试等场合。
- 脉冲直流,简单易用
- 范围广,高至300V低至1pA
- 最小脉冲宽度200μs
- 准确度为0.1%
普赛斯E系列高压源测单元
针对高压模式的测量,普赛斯仪表推出的E系列高压程控电源具有输出及测量电压高(3500V)、能输出及测量微弱电流信号(1nA)、输出及测量电流0-100mA等特点。产品可以同步电流测量,支持恒压恒流工作模式,同事支持丰富的IV扫描模式。产品可应用于功率型高压GaN的击穿电压,高压漏电流测试,动态导通电阻等场合。其恒流模式对于快速测量击穿点具有重大意义。
- ms级上升沿和下降沿
- 单台最大3500V电压输出(可扩展10kV)
- 测量电流低至1nA
- 准确度为0.1%
普赛斯HCPL系列大电流脉冲电流源
对于GaN高速脉冲式大电流测试场景,可采用普赛斯HCPL系列高电流脉冲电源。产品具有输出电流大(1000A)、脉冲边沿陡(典型时间15μs)、支持两路脉冲电压测量(峰值采样)以及支持输出极性切换等特点。产品可应用于GaN的导通电流,导通电阻,跨导测试等场合。
- 输出电流达1000A
- 多台并联可达6000A
- 50μs-500μs的脉冲宽度可调
- 脉冲边沿陡(典型时间15us)
- 两路同步测量电压(0.3mV-18V)
普赛斯CP系列脉冲恒压源
对于GaN电流自热效应测试场景,可采用普赛斯CP系列脉冲恒压源。产品具有脉冲电流大(最高可至10A);脉冲宽度窄(最小可低至100ns);支持直流、脉冲两种电压输出模式等特点。产品可应用于GaN的自热效应,脉冲S参数测试等场合。
- 直流/脉冲两种电压输出模式
- 大脉冲电流,最高可至10A
- 超窄脉宽,低至100ns
- 插卡式设计,1CH/插卡,最高支持10通道
武汉普赛斯仪表有限公司是武汉普赛斯电子股份有限公司的全资子公司,是一家专注于半导体的电性能测试仪表的开发、生产与销售的研发型高新技术企业。公司以源表为核心产品,专注于第三代半导体测试,提供从材料、晶圆、器件的全系列解决方案。
未来,普赛斯仪表基于国产化高精度数字源表(SMU)的测试方案,以更优的测试能力、更准确的测量结果、更高的可靠性与更全面的测试能力,联合更多行业客户,共同助力我国第三代半导体行业高可靠高质量发展。
